Ignorar Comandos do Friso
Saltar para o conteúdo principal
Portal UMinho

Detalhe do evento




Portal UMinho > PT > Comunidades e Redes > Detalhe do evento

Detalhe do evento

Voltar

Ex-aluna da UMinho cria tecnologia que reduz efeitos da menopausa

Fotos
Filipa Fernandes com a t-shirt inovadora (foto: Nuno Gonçalves)
Filipa Fernandes em laboratório (foto: Nuno Gonçalves)
A ex-aluna junto ao Prometeu, no campus de Gualtar (foto: Nuno Gonçalves)
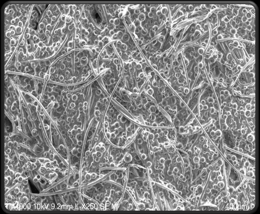
Análise no microscópio eletrónico de varrimento às partículas que regulam a temperatura, bem como a sua dispersão
Análise no microscópio eletrónico de varrimento às partículas que regulam a temperatura, bem como a sua dispersão
Análise no microscópio eletrónico de varrimento às partículas que regulam a temperatura, bem como a sua dispersão
Pormenor do revestimento (foto: Nuno Gonçalves)
quinta-feira, 16/09/2021
Vila Verde e Guimarães
Filipa Fernandes com a t-shirt inovadora (foto: Nuno Gonçalves)
Filipa Fernandes propõe t-shirt que mantém temperatura corporal e melhora o bem-estar, até em pacientes com cancro
Filipa Fernandes, formada pela Escola de Engenharia da Universidade do Minho, criou uma t-shirt inovadora que atenua os efeitos da menopausa. O tecido tem um revestimento estampado que regula a temperatura corporal da mulher, evitando que esta tenha afrontamentos, retenções de líquidos, alterações de humor, insónias e mal-estar, refere a investigadora. Após dois anos de testes em laboratório e em contexto real, a tecnologia está agora patenteada, registada pelo Infarmed e chega ao mercado, sublinha.

“Muitas senhoras que testaram surpreenderam-se com os benefícios de utilizar apenas esta t-shirt para reduzir os sintomas da menopausa, dizem que a sua vida se tornou mais agradável e confortável”, nota Filipa Fernandes. O feedback foi tão positivo que a cientista decidiu testar a inovação com mulheres em tratamento para o cancro ou que tinham tido essa doença. "Funcionou de novo: algumas senhoras quiseram retirar a medicação habitual para o teste ser total e, no final, não voltaram a precisar de parte dela, por indicação do médico”, frisa. Filipa Fernandes considera os resultados das suas amostras “excelentes” face a estudos similares em revistas científicas internacionais e deve prosseguir as pesquisas. “Não estamos a tratar o cancro, mas estamos a contribuir para uma melhor qualidade de vida das pacientes”, diz.

Designada RT, a tecnologia aparece na t-shirt sobretudo na zona do tórax e da coluna, sendo baseada em silicone medicinal e em materiais de mudança de fase, isto é, que permitem manter a temperatura corporal da pessoa (36.5º C, em média), independentemente da temperatura ambiente. De que modo? “A RT armazena e liberta grandes quantidades de energia, como absorver calor durante o dia e libertá-lo à noite”, explica Filipa Fernandes. Aquele revestimento é então programado para determinada temperatura e força o organismo humano a mantê-la. Na prática, ajuda o corpo na sua ação perante o calor (vasodilatação) e o frio (vasoconstrição). Este sistema de termorregulação provou ser bastante eficaz face a afrontamentos. Numa situação normal, estas repentinas sensações de calor no peito e na cara da mulher estender-se-iam aos poucos pelo resto do corpo, podendo provocar suor excessivo.

Aplicações no desporto, turismo e defesa

A inovação “permite assim, de forma simples e prática, o conforto e o bem-estar dos utilizadores, sobretudo em ambientes desfavoráveis”, e até ao fim de vida útil da t-shirt. Aliás, nos testes de 50 lavagens a 60º C daquela t-shirt, o revestimento ficou intacto. A tecnologia RT é versátil e pode ser aplicada a diversos produtos e contextos, como segurança, saúde, desporto e turismo. Por exemplo, para militares em missões com muito calor de dia e frio intenso à noite, bem como para pessoas em hipo/hipertermia, pilotos do Dakar ou aventureiros no Ártico. “O novo material também é antifúngico e antimicrobiano, logo as possibilidades são imensas”, justifica Filipa Fernandes. Para já, a t-shirt pode ser encontrada em style-out.com.

Filipa Fernandes nasceu há 36 anos em Guimarães e vive em Braga. Fez o mestrado integrado em Engenharia de Materiais na UMinho, na qual investigou desde 2010 em projetos do Centro de Física, do Centro de Ciência e Tecnologia Têxtil, do Centro de Território, Ambiente e Construção e do Centro de Engenharia Biológica. Com este último está a conceber uma farda de proteção hospitalar, em parceria com o Instituto Nacional de Saúde (INSA). Está também presente no meio empresarial: é diretora científica da Ooze Nanotech (Vila Verde) e investiga na Ribeiro & Matos (Guimarães). Tem duas patentes em aprovação. Centra a pesquisa em funcionalização de superfícies, como pavimentos, cerâmicas, vidros e têxteis; possui trabalhos pioneiros sobre áreas autolimpantes e rodovias que mudam de cor com a temperatura. Pela UMinho, foi ainda capitã da equipa de futsal, que se sagrou campeã nacional e vice-campeã europeia universitária.
​​​​​​​​​​​​ ​​Nome do documento
​​​​​​​​   Produção da t-shirt (11 fotos).rar
​​​​​​​​   Processo de estampagem (vídeo 0m11s).mov
  • Universidade do
    Minho
  • Largo do Paço
    4704-553 Braga
  • T.:253 601 100, 253 601 109
    E.: gcii@reitoria.uminho.pt
© Universidade do Minho - 2026